產品名稱
TPT463E高溫熔體壓力傳感器(high temperature melt pressures sensor)
特征與用途
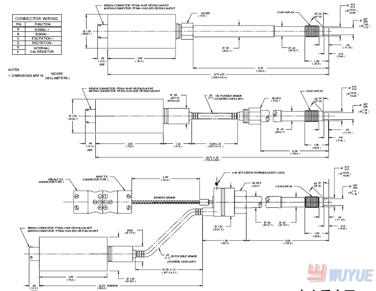
特性: ★ 裝有J型熱電耦,可以同點測量溫度 內部80%校驗 ★ 熱電耦可以在現場拆卸和更換 量程 從0-500psi到0-30,000psi ★ 具有柔性管,使應變片外殼遠離高溫區 良好的穩定性和重復性 ★ 精度:高于±0.5% 通過CE認證 輸出:滿量程3.33mV/V 熱電阻和其它類型熱電耦可以選配 TPT463E高溫熔體壓力傳感器(high temperature melt pressures sensor)
技術參數
